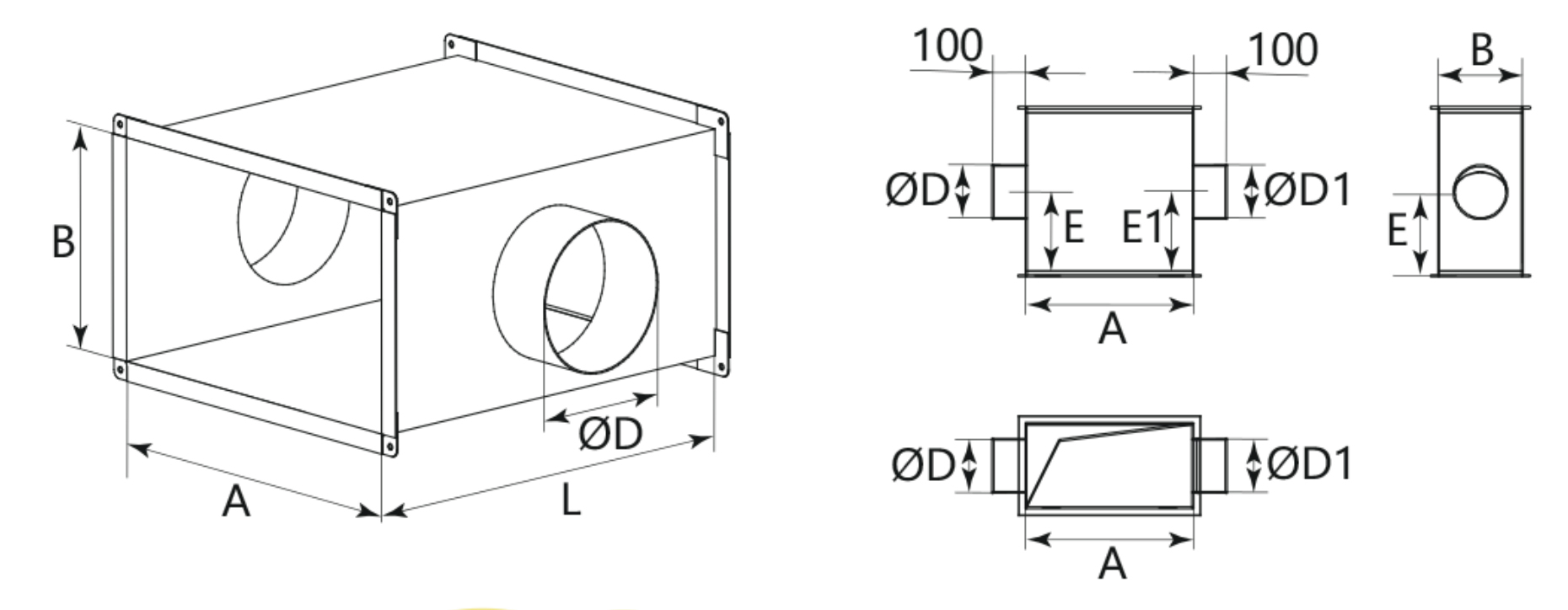
Хрестовина прямокутного перерізу з круглою врізкою

AD-KKO

Хрестовина прямокутного перерізу з круглою врізкою AD-KKO призначена для з’єднання та розгалуження вентиляційних систем із прямокутних повітроводів на круглі канали. Фасонний елемент забезпечує одночасне підключення декількох повітропроводів, зберігаючи стабільні аеродинамічні характеристики та герметичність системи.
Хрестовина має фланцеві з’єднання на прямокутних кінцях і посилена поперечним гофруванням сталевого листа, що підвищує жорсткість конструкції та стійкість до деформацій. Круглі відводи стандартно виконуються з ніпельним з’єднанням і розташовуються симетрично, що спрощує монтаж і забезпечує рівномірний розподіл повітряних потоків.
Розташування патрубків по стороні A — симетричне. Виріб застосовується в промислових, комерційних та громадських системах вентиляції.
Основні розмірні обмеження: ØD≤A−15; ØD1≤B−50; ØDmin і ØD1min=100 мм; Emin=D/2+30; E1min=D1/2+30.